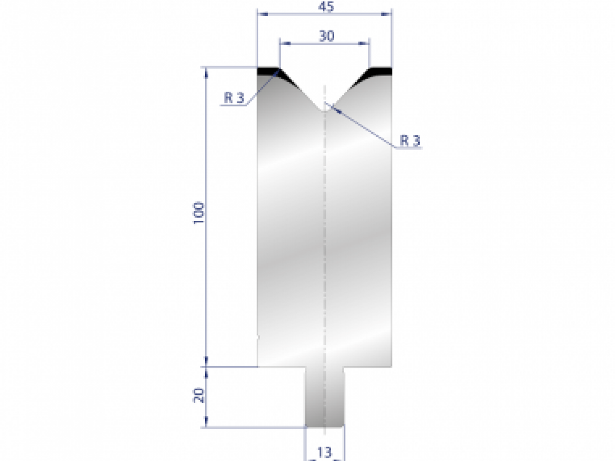
Cối chấn 1V 30 α=86º H100 R3 Max. T/m=100, C45

Mã sản phẩm3130
Giá:Liên hệ
Tình trạngCòn hàng
- +

Nhắn tin Zalo

Trở lại

Sản phẩm liên quan